Indian V-Twin Timing

Indian V-Twin Timing - Vintage Indian Motorcycle Parts &Amp; Accessories

How to Retime Indian Battery Ignition

If the distributor unit has been removed from its drive housing, proceed as follows.

  1. Rotate the motor (turning it forward) until rear cylinder piston is in proper firing position (according to model and type of motor).
  2. Fully advance distributor arm.
  3. Rotate distributor shaft until breaker points are just ready to break on large end of the timer cam. The large end of the timer cam is opposite the nose of the rotor on the end of the cam shaft.
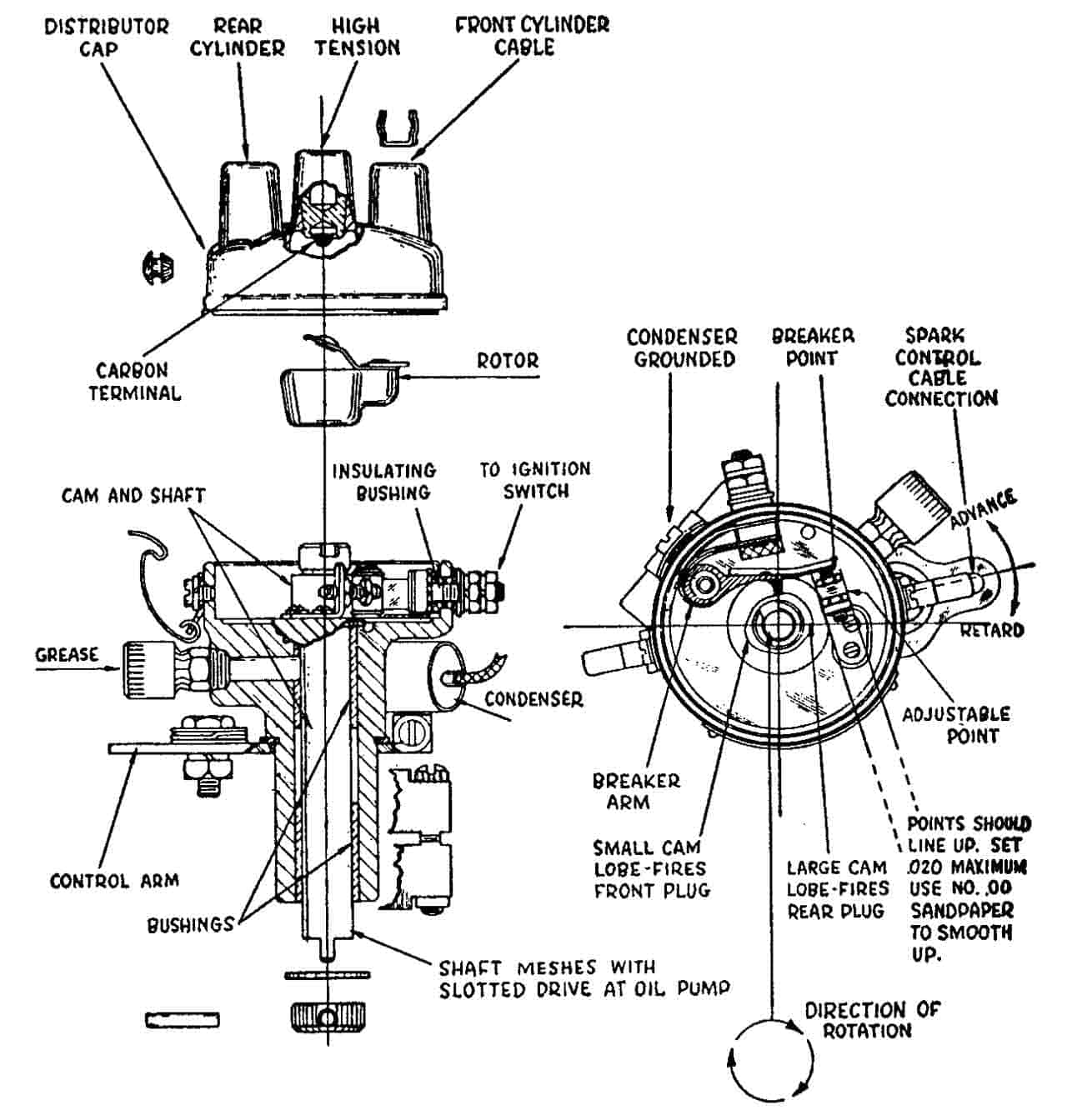
  4. With the condenser toward the motor, insert the distributor into the drive housing. Tighten clamping band around distributor drive housing. Final adjustment may be made by loosening the advance arm clamping screw and rotating distributor body until points just open. Be sure that rear cylinder piston is still set accurately for proper ignition timing. This section view shows all working parts of ‑the Indian battery ignition circuit breaker and distributor. The timer shaft registers with a slot in the oil pump drive shaft. To remove the timer from the oil pump housing would, therefore, change the timing unless it is replaced with the cam in the same position with regard to pump drive shaft slot.

Note that LARGE cam of timer fires the REAR cylinder and SMALL end of cam fires the FRONT cylinder. Circuit breaker points must be set to have .020″ gap when fully open. Points are adjusted by means of movable contact screw. ‘Use No. 00 sandpaper or a point file to clean contact points.

Was this article helpful?

Related Articles